سرويس و تعمير آب ميوه گيري برقي
Juicer service and repair



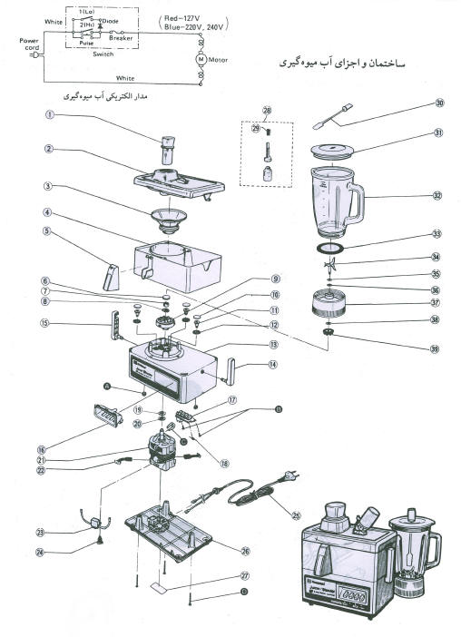
امروزه دستگاه هاي آب ميوه گيري در طرح ها و مدل هاي متنوع به بازار عرضه مي گردد. در اينجا به شرح آب ميوه گيري كه مجهز به سري مخلوط كن است مي پردازيم .موتور اين آب ميوه گيري از نوع اونيورسال است و اجزاء آن به شرح زير مي باشد:

اجزا آبمیوه گیری

اجزاء شكل عبارتند از:1- اهرم آب ميوه گيري 2- درپوش ظرف آب ميوه گيري 3- صافي يا توري آب ميوه گيري 4- ظرف آب ميوه گيري 5- درپوش دهانه 6- كلاهك صفحه برنده 7- پيچ محكم كننده صفحه برنده 8 - واشر قفل كننده 9- صفحه برنده 10 - كلاهك لاستيكي 11- پيچ موتور (بالايي) 12- لاستيك زير پيچ موتور (بالايي) 13- محفظه موتور 14-و15 - گيره A,B  هستند 16-صفحه كليد 17- كليد 18- ديود 19- واشر تنظيم كننده A 20- واشر تنظيم كننده B است 21- موتور ACاونيورسال 22- زغال كربني 23- خازن 24- پيچ موتور پاييني 25- سيم رابط 26 - صفخه پاييني دستگاه 27- صفحه مشخصات 28- برس تميز كننده 29 - برس 30 - كارتك31 - در پوش 32- ظرف شيشه اي يا بلوري لاستيك دور ظرف 34- تيغه برنده 35 - واشر فنري 36- واشر 37- حتقه بالا رونده 38 - واشر 39 - متصل كننده بالايي

طريقه باز كردن دستگاه -

1- باز كردن صفحه تيغه برنده . الف-در پوش تيغه را برداريد.ب- با استفاده از پيچ گوشتي نگهدارنده تيغه را بر داريد.ج -تيغه يا صفحه را با بالا كشيدن آن از جاي خود خارج كنيد.

2- بازكردن صفحه زير دستگاه وموتور - الف -صفحه زيري دستگاه توسط باز كردن سه عدد پيچ باز مي شود.ب- سر در پوش لاستيكي را بر داريد وسه پيچ زير آن را باز كنيد ج - ترمينال هاي متصل به موتور را بر داريد وسپس موتور را جداكنيد.

3 - باز كردن كليد وصفحه كليد.الف - صفحه زير دستگاه را بر داريد ب- دو پيچ كليد را باز كنيد. ج - اتصال ترمينال هاي كليد را بكشيد. د - براي بر داشتن كليد ابتدا با دست صفحه كليد را جلو بكشيد وآن را از بدنه جدا كنيد.


باز کردن موتور آب میوه گیری

4 - باز كردن زغال هاي كربني - الف- موتور را بر داريد. ب - ترمينال هاي زغال ها را از نگهدارنده آن جدا كنيد. توجه (زغال هاي راست وچپ را با هم برداريد.)

5 - طريقه تعويض سيم رابط - الف - صفحه زيري را باز كنيد.ب -سيم رابط را از محفظه موتور باز كرده وآن را با سيم رابط نو تعويض كنيد.

6 - باز كردن گيره AوB شكل (clampA - clampB) - الف - صفحه زير دستگاه را باز كنيد. ب - خار (E) هر دو گيره را بر داريد.سپس گيره ها جدا خواهند شد گيره هاي AوB را علامت گذاري كنيد تا موقع مونتاژ يا جا زدن آن ها اشتباه نكنيد.

7 - باز كردن تيغه وظرف يا شيشه مخلوط كن الف - در پوش را برداريد سپس نگهدار نده شيشه را به طرف بالابكشيد.ب - با دقت حلقه در پوش را با پيچاندن در جهت خلاف عقربه ساعت بيرون بياوريد. ج - تيغه را با يك پارچه بپيچيد وبه دقت در محلي بگذاريد. د- اتصال بالايي آن را توسط ابزار مخصوص بچرخانيد ونگهدارنده تيغه را خارج كنيد. ه - تيغه ونگهدارنده و واشر ها را به ترتيب خارج كرده شماره گذاري كنيد تا موقع مونتاژ آن دچار اشتباه نشويد.

سرويس و نگهداري آب ميوه گيري


1- قبل از وصل كردن دو شاخه به پريز مطمئن شويد كه كليد دستگاه قطع است.

2- محفظه موتور را هر گز داخل آب نكنيد.

3- قبل از استفاده آب ميوه گيري دو شاخه وسيم رابط آن را چك كنيد.

4- آب ميوه گيري را روي مكان صاف بگذاريد.

5- قبل از توقف كامل تيغه دستگاه را باز نكنيد.

6- هر گز موقع كار دستگاه انگشت،قاشق،چنگال وغيره داخل محفظه آب ميوه گيري نكنيد.

7- قبل از دور گرفتن كامل موتور ،ميوه را درون محفظه قرار ندهيد.

8- در صورت گير كردن موتور واز حركت باز ماندن آن،فورا"موتور را خاموش كنيد.

عيب يابي و تعمير آب ميوه گيري


عيب1- موتور حركت نمي كند.

علت1- كليديا سيم رابط  خراب است.

رفع عيب 1- كليد را تعويض كنيد.سيم رابط را تعمير يا تعويض نماييد.

عيب2- موتور صداميكند اما نمي چرخد.

علت2- بلبرينگ يا بوش خراب است.

رفع عيب2 - در چنين حالتي ابتدا فورا"موتور را خاموش نماييد.-موتور را باز كرده بلبرينگ را گريسكاري كرده وبوش را روغنكاري كنيد. در صورت خراب بودن آن ها را تعويض كنيد.

عيب3- موتور صدا مي كند اما نمي چرخد.

علت 3- اجسام سخت بين گردنده وتيغه گير كرده است.

رفع عيب3- بلافاصله موتور را خاموش كنيد.و آن را در بياوريد.

عيب4- موتور زياد گرم مي كند.

علت 4- ولتاژ زياد است.

رفع عيب4- ولتاژ را كنترل وآن را تنظيم نماييد.

عيب5- موتور زياد گرم مي كند.

علت5- موتور نيم سوز است.

رفع عيب5- موتور را تجديد سيم پيچي كرده يا تعويض كنيد.

عيب6- موتور زياد گرم مي كند.

علت 6- محور شفت اصلي از جاي خود خارج شده است.

رفع عيب6- قطعه را تعويض كنيد.

عيب7- موتور زياد گرم ميكند.

علت 7- موتور بدون بار كار مي كند.

رفع عيب7- مطمئن باشيد كه ميوه در محفظه وجود دارد.

عيب8- موتور زياد گرم مي كند.

علت8- بار زياد يا اجسام سخت داخل محفظه از حركت تيغه جلوگيري مي كند.

رفع عيب8- به دستور العمل وسيله مراجعه وكار دستگاه را بررسي كنيد.

عيب9-از دستگاه  بوي نا مطبوع به مشام مي رسد.

علت 9- موتور داغ كرده است

رفع عيب9- به قسمتي كه گرم شدن موتور را شرح داديم مراجعه ورفع عيب نماييد.

عيب10- از دستگاه بوي نامطبوع به مشام مي رسد.

علت10- مايع بداخل موتور نشت كرده است.

رفع عيب10- دستگاه را توسط واشر آب بندي كنيد.

عيب11- از دستگاه بوي نامطبوع به مشام مي رسد.

علت 11- موتور رطوبت هوا را جذب كرده است

رفع عيب11- موتور را خشك كنيد.

عيب12- دستگاه لرزش وصدا دارد.

علت 12- تفاله به صورت ناهموار داخل ظرف جمع شده است.وظرف از حالت بالانس خارج شده است.

رفع عيب12- صافي را تميز كنيد.اگر گلويي با تيغه برنده فاصله زيادي داشته باشد انتهاي ميوه ها به يك باره درون محفظه رفته ويك طرف ظرف در حال چرخش را سنگين تر ميكند.كه موجب لرزش زيادي مي شود.وآب ميوه گيري از جاي خود حركت مي كند.گلويي را تعويض كنيد.

عيب13- دستگاه لرزش وصدا دارد.

علت13- صافي از حالت نرمال خود خارج شده است.

رفع عيب13- صافي را تعويض كنيد.

عيب14- دستگاه لرزش وصدا دارد.

علت14- گيره ها كاملا" متصل نشده اند.

رفع عيب14- آن ها را كنترل و كاملا" ببنديد.

عيب15- دستگاه لرزش وصدا دارد.

علت15- دستگاه در محل صحيح قرار نگرفته است.

رفع عيب15- دستگاه را در يك سطح تراز قرار دهيد.

عيب16- نصب وجابجايي صافي مشكل است.

علت 16- اجسام خارجي بين پايه تيغه وپايه صافي جمع شده است.

رفع عيب16- آن ها را خارج نماييد.

عيب17- آب ميوه كاملا" گرفته نمي شود.

علت 17- تيغه خراب است.

رفع عيب17- تيغه را تعويض كنيد.

عيب18- آب ميوه كاملا"گرفته نمي شود.

علت18- فاصله صفحه زير تيغه وتيغه زياد است.

رفع عيب18- دو يا سه واشر تنظيم كننده روي شافت موتور قرار دهيد.

عيب19- آب ميوه از دستگاه نشت مي كند.

علت19- ظرف شكسته است.

رفع عيب19- در پوش يا ظرف زير در پوش را تعويض كنيد.

عيب20- آب ميوه از دستگاه نشت مي كند.

علت20- لرزش دستگاه زياد است.

رفع عيب20- صافي را تميز كنيد.

عيب21- آب ميوه از دستگاه نشت مي كند.

علت 21- آب بندي دستگاه خوب نيست.

رفع عيب21- توسط واشر دستگاه را آب بندي كنيد.


پایان مطلب سرویس و تعمیر آب میوه گیری برقی


از وب سایت حبیب

برگشت به صفحه قبل