سرویس و تعمیر همزن روميزي
Mixer service and repair


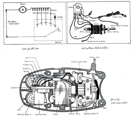
اجزاء همزن رو ميزي:


1-حفاظ موتور2- کليد3-ديود 4- صفحه حفاظ 5- بالا برنده 6- بالا برنده زيرين7-فنر بالا برنده  8- نگهدارنده ياتاقان A و9- سيم رابط 10- نگهدارنده ياتاقان B و11-نگهدارنده زغال 12- چرخ دنده 13- واشر چرخ دنده 14- ياتاقان بدون روغن 15- واشر تنظيم فاصله C و16-واشر تنظيم فاصله A و17- روتور يا آرميچر 18- استاتور 19- نمدB و20- نگهدارنده محور (شفت) 21- لاستيک نگهدارنده 22- زغال 23- ترمينال زغال 24- بدنه 25- همزن 26- صفحه مشخصات 27- کلاهک 28- کاسه 29- پايه چرخان 30- پايه 31- کليد فشاري 32- پايه اصلي (تکيه گاه) 33- رابط سيم 34- لوله لاستيکي حفاظ سيم رابط .

اجزا همزن رومیزی

مدار الکتریکی همزن، میکسر

مراحل باز کردن دستگاه همزن روميزي :


1- باز کردن محفظه موتور ،کليد و بالا برنده

الف- پيچ هاي بدنه وپايه را باز کنيد تا بدنه موتور وبالا برنده بتواند از هم جدا شوند.

ب کليد مي تواند از صفحه نگهدارنده آن جدا شود . بعد از بيرون کشيدن کليد ، بالا برنده زيرين و خار آن را بر داريد.

ج- دو ترمينال ديود را قطع کرده وآن را از جاي خود خارج کنيد.

2- باز کردن چرخ دنده -

الف - ابتدا چرخ دنده ها را مانند شکل علامت گذاري کنيد تا موقع مونتاژ به اشکال بر خورد نکنيد.

ب- صفحه بدنه و نگهدارنده يا تاقان A را برداريد. پس از آن چرخ دنده ها را بيرون بکشيد.

3- سيم رابط و زغال

الف- نگهدارنده يا تا قان B را بر داشته سپس زغال نگهدار و زغال را از جاي خود خارج کنيد.

ب- سيم برق متصل به ترمينال هاي زغال و کليد را قطع کنيد هنگام بر داشتن زغال ها بايستي هر دو زعال را با هم بر داشت و مراقب باشيد که فنر ها تغيير شکل غير عادي ندهند.

4- روتور،استاتور و ياتاقان بدون روغن (با توجه به شکل )

الف- نگهدارنده ياتاقان هاي A,B را باز کنيد.

ب- پيچ نگهدارنده استاتور را باز کنيد. سپس روتور،استاتور،ياتاقان ها ،واشر،نمد B ،نگهدارنده شفت ولاستيک نگهدارنده شفت را مي توان از قسمت اصلي جدا کرد.

5- باز کردن پايه و کليد.

الف - تکيه گاه را بچرخانيد تا قسمت کفه دستگاه به طرف بالا قرار گيرد.

ب- مطابق شکل يک پيچ گوشتي بين ساقه و پايه قرار دهيد و پايه را با کمي فشار روي ناحيه A از قسمت B جدا کنيد.

ج- با توجه به شکل براي در آوردن شستي بايد توسط پيچ گوشتي ،قلاب يا فک را خم کنيد وشستي را در آوريد. البته شستي توسط خار کوچکي در گير است.

مراحل مونتاژ همزن

مراحل مونتاژ همزن:


1- بدنه وکليد-هنگام مونتاژ بدنه موتور ابتدا خار بالا برنده و بالا برنده زيرين و کليد را در محل خود قرار دهيد.سپس بالا برنده را روي بدنه موتور قرار دهيد. وبعد با گرفتن با لا برنده با دست از خارج ، بدنه موتور را در جاي خود نصب کنيد. بعد از مونتاژ تست کنيد که کليد و بالا برنده درست عمل مي کنند.

2- اتصال ديود-هويه را پس از اتصال ترمينال ها از محل اتصال بر داريد.زيرا امکان خرابي ديود در صورت تماس با دماي با لاي هويه وجود دارد.

3- چرخ دنده - هنگام مونتاژ يا تعويض چرخ دنده بايد به علامت گذاري روي چرخ دنده ها توجه نمود. اگر علايم با هم برابر نباشند پره هاي همزن  چپ و راست هنگام کار با يکديگر در گير خواهند شد.

4- زغال- براي جاگذاري زغال ها وفنر بايستي دقت شود که فنر ها تغيير شکل ندهند و به هنگام تعويض زغال ها بايد هر دو زغال با هم تعويض گردند وهر دو فنر زغال ها را با فشار يکساني روي تيغه کلکتور قرار دهند.

5- روتور واستاتور- هنگام مونتاژ روتور واستاتور بايستي محور روتور طوري در ياتاقان تنظيم شود که روتور به راحتي حول محور خود بچرخد. در حاليکه روتور را با دست نگهداشته ايد نگهدارنده ياتاقان هايA,B  را در جاي خود قرار دهيد.زمانيکه اين نگهدارنده ها در جاي خود قرار گيرند،روتور به راحتي خواهد چرخيد.

6- پايه وتکيه گاه (ساقه)- براي سوار کردن پايه روي تکيه گاه يا ساقه ، با توجه به شکل ابتدا بايستي نقاط  A,B مقابل هم قرار گيرند، سپس با اندک فشار پايه را بر روي ساقه دستگاه جا زد.

تذکر: در صورتي که روتور حول محورش حرکتي روان نداشته باشد يا با استاتور تماس داشت با استفاده از يک چکش چوبي ضرباتي آرام به استاتور يا ياتاقان بزنيد تا روتور حرکتي روان داشته باشد.

سرويس ونگهداري همزن رو ميزي - رجوع شود به همزن دستي .

عيب يابي و تعمير همزن رو ميزي - رجوع شود به همزن دستي.

پایان مطلب سرویس و تعمیر میکسر رومیزی



از وب سایت حبیب

برگشت به صفحه قبل